+86-28-83202583

Рабочая частота 85.5–114 ГГц, интерфейс WR10. Предназначен для применения в системах терагерцовой связи, миллиметровых радиолокационных комплексах и передовых научных исследованиях.
Рабочая частота 85.5–114 ГГц, интерфейс WR10. Предназначен для применения в системах терагерцовой связи, миллиметровых радиолокационных комплексах и передовых научных исследованиях. Обеспечивает передачу сигналов в целевом диапазоне частот и подавление низкочастотных паразитных составляющих.
Ключевые параметры: вносимые потери ≤ 2.0 дБ, КСВН ≤ 1.8; подавление в полосе задерживания: не менее 30 дБ в диапазоне от постоянного тока до 80.5 ГГц. Обеспечивает эффективное подавление внеполосных помех, повышая чистоту сигнала.
Изготовлен из латуни с золотым покрытием, что обеспечивает высокую проводимость, механическую стабильность и надежность. Рабочая температура от -40 до +70 °C позволяет эксплуатировать изделие в суровых условиях. Относится к категории нестандартных разработок. Возможна гибкая настройка параметров под требования заказчика: рабочей частоты, характеристики среза, типа интерфейса для различных применений.
| Технические характеристики | ||
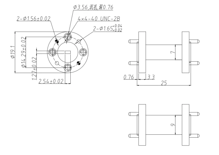
| 1 | Тип | Волноводный фильтр |
| 2 | Модель | HPF85.5-114GW-4401 |
| 3 | Рабочая частота | 85.5–114 ГГц |
| 4 | Вносимые потери | ≤ 2.0 дБ |
| 5 | КСВН | ≤ 1.8 |
| 6 | Подавление | ≥ 30 дБ в диапазоне DC – 80.5 ГГц |
| 7 | Интерфейс | WR10 |
| 8 | Рабочая температура | -40…+70 °C |
| 9 | Материал | Латунь |
| 10 | Покрытие | Золочение |